Home
Product
Application
Field
Programme
News
Company news
Industry news
Share
Share
Guide
About
About
Contact
中文
English
CN
Home
Product
Application
Field
Programme
News
Company news
Industry news
Share
Share
Guide
About
About
Contact
Home >
Product >
EMC Protective IC >
ESD Protective Devices
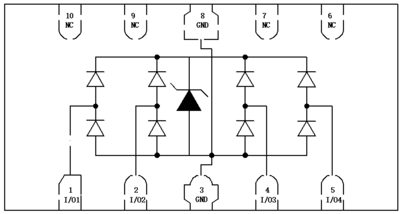
Part Number
Circuit Figure
VRWM Max.
VBR Min.
IR @VRWM Max.
IPP
VC @IPP Max.
CJ Max.
PD
Package
规格书
Reset
ST0324D25
3.3
3.5
0.5
5
10
0.6
50
DFN2510-10
Download
ST0321D4
3.3
5
0.2
5
20
0.2
100
DFN1006
Download
ST0321D4S
3.3
3.8
0.2
10
6
0.6
60
DFN1006
Download
ST0341D4
3.3
5
0.5
10
10
5
100
DFN1006
Download
ST0321D2S
3.3
3.8
0.2
10
6
0.6
60
DFN0603
Download
ST0361D2
3.3
4.3
0.2
8
10
16
80
DFN0603
Download
ST4581D4
4.5
5
0.2
40
10
95
400
DFN1006
Download
ST4581S3
4.5
4.7
1
160
17
300
2700
SOD-323
Download
ST4521D4-3
4.5
5
1
300
20
350
6000
DFN2020-3
Download
ST4871D6
4.8
5
0.5
160
15
480
2400
DFN1610
Download
ST0521D4
5
5.4
0.5
4
25
0.26
100
DFN1006
Download
ST0541D4
5
5.5
0.5
2
11
2.5
22
DFN1006
Download
ST0561D4
5
6
0.5
7
15
10
105
DFN1006
Download
ST0561N4
5
6.5
0.5
8
10
15
80
DFN1006
Download
ST0581D4
5
6
0.5
25
15
80
400
DFN1006
Download
ST0531D4
5
6
0.1
5
16
0.4
80
DFN1006
Download
ST0521D2
5
6
0.1
5
25
0.22
125
DFN0603
Download
ST0561D2
5
6
0.2
4
15
12
60
DFN0603
Download
ST0541S5
5
5.5
0.5
1
11
2.5
11
SOD-523
Download
ST0541S5A
5
6
0.1
3.5
11
3.5
38.5
SOD-523
Download
ST0561S5
5
6
0.2
8
10
15
80
SOD-523
Download
ST0581S5
5
6
0.2
15
14
30
200
SOD-523
Download
ST0581D6
5
6
1
80
12.5
220
1000
DFN1610
Download
ST0591D6
5
6.5
1
120
15
750
1800
DFN1610
Download
ST0524D25
5
6.4
0.5
1
15
0.3
15
DFN2510-10
Download
ST0524D25A
5
5.8
8
10
0.8
80
DFN2510-10
Download
ST0524D25L
5
6
0.5
4
15
0.5
60
DFN2510-10
Download
ST0512S-23
5
6
0.5
1
15
0.8
15
SOT-23
Download
ST0512S-143
5
6
0.5
5
18
0.8
90
SOT-143
Download
SRV05-4
5
6
0.2
12
25
3
300
SOT23-6
Download
First
1
2
3
...
Next
Last
There Are
63
Copyright © ShenZhen Sursemi Technology Co., Ltd
Statistics
Technical Support:
SZTD